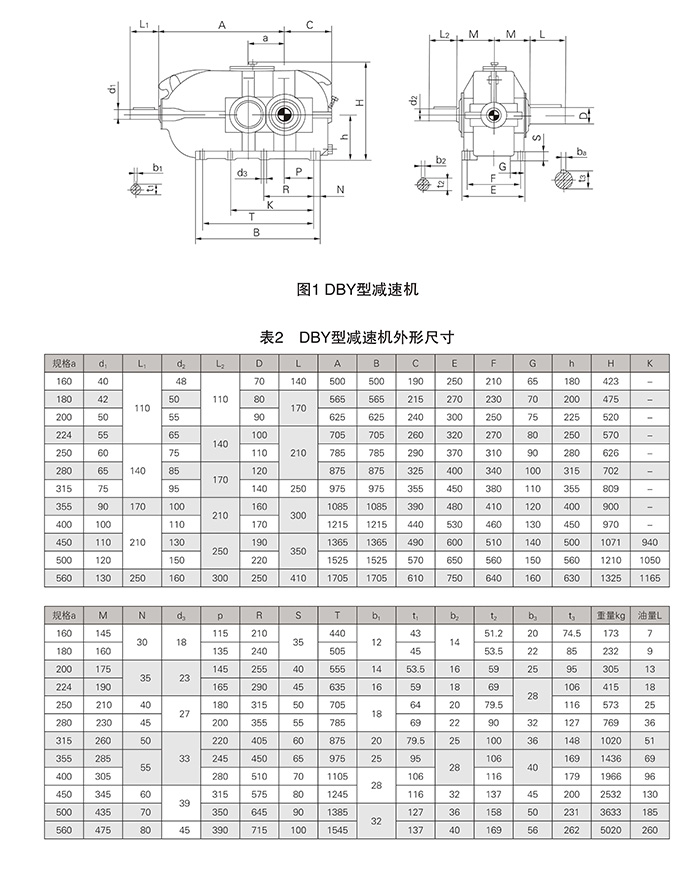
DBY硬齒面減速機
我們能為您做什么
*
這是一個必填項
您需要的總數量
*
這是一個必填項
這是一個必填項
電子郵件格式錯誤
由于電子郵件可能不穩定,為避免錯過我們的信息,請提供您的電話號碼,以便我們能夠通過其他方式與您聯系。
*
這是一個必填項
電話格式有誤
提交







